Che cosa sono le macchine per stampaggio a iniezione di materie plastiche semi-automatiche?
Una macchina per stampaggio a iniezione semiautomatica è un tipo di apparecchiatura utilizzata per la produzione di prodotti in plastica stampata, che funziona con un certo livello di intervento manuale insieme a processi automatizzati. Queste macchine possono essere utilizzate per una varietà di applicazioni di stampaggio e sono adatte per piccole e medie tirature di produzione. La parte automatizzata del processo in genere include l'iniezione del materiale nello stampo e l'espulsione del prodotto finito. Le macchine per stampaggio a iniezione semiautomatiche generalmente consumano meno energia rispetto alle macchine completamente automatiche, contribuendo al risparmio sui costi e all'efficienza energetica.
Le caratteristiche principali della macchina per stampaggio a iniezione di plastica semiautomatica
Iniezione automatizzata
La macchina inietta automaticamente il materiale plastico fuso nella cavità dello stampo, tramite un sistema di controllo elettronico.
01
Apertura/chiusura manuale dello stampo
L'operatore apre e chiude manualmente lo stampo, a differenza delle macchine completamente automatiche che gestiscono questa azione automaticamente.
02
Rimozione manuale delle parti
Dopo ogni ciclo, l'operatore rimuove manualmente il pezzo stampato dallo stampo.
03
Inizio del ciclo
Il ciclo della macchina viene solitamente avviato dall'operatore premendo un pulsante o utilizzando un pedale, anziché essere completamente automatizzato.
04
Complessità ridotta
Le macchine semiautomatiche sono generalmente meno complesse e più convenienti dei sistemi di stampaggio a iniezione completamente automatizzati, il che le rende una scelta popolare per la produzione su piccola scala o la prototipazione.
05
Caratteristica
1. Flessibilità.
2. Ambito di applicazione.
3. Efficienza dei costi.
4. Efficienza.
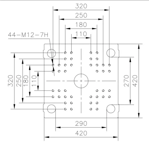
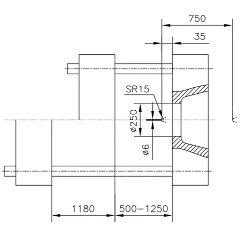
Dimensioni del piatto


Dimensioni della macchina


La macchina per stampaggio a iniezione semi-automatica è un dispositivo che inietta plastica fusa in uno stampo tramite una siringa per realizzare prodotti in plastica. La macchina per stampaggio a iniezione semi-automatica ha i vantaggi di un funzionamento semplice e di un'elevata efficienza, ed è ampiamente utilizzata nel campo della produzione di prodotti in plastica.
Processo operativo della macchina per stampaggio a iniezione di plastica semiautomatica
1. Avviare la macchina per stampaggio a iniezione: avviare la macchina per stampaggio a iniezione seguendo le fasi operative della macchina stessa.
2. Riscaldamento: attendere che la macchina per stampaggio a iniezione raggiunga la temperatura prestabilita.
3. Aggiunta di materiali: aggiungere le materie prime preparate alla tramoggia della macchina per stampaggio a iniezione.
4. Chiusura dello stampo: premere il pulsante di chiusura dello stampo per chiudere lo stampo della macchina per stampaggio a iniezione e avviare lo stampaggio a iniezione.
5. Stampaggio a iniezione: la macchina per stampaggio a iniezione inizia a pressurizzare e inietta le particelle di plastica fusa nello stampo.
6. Mantenimento della pressione: mantenere una certa pressione per consentire al prodotto di solidificarsi.
7. Rimozione dello stampo: la macchina per stampaggio a iniezione apre lo stampo ed estrae il prodotto stampato.
8. Raffreddamento a spruzzo d'acqua: raffreddare il prodotto con acqua fredda.
9. Trafilatura: utilizzare una macchina trafilatrice per rimuovere sbavature o scarti dal prodotto.
10. Prepararsi per il ciclo di produzione successivo: ripetere i passaggi precedenti.
Manutenzione macchina per stampaggio a iniezione di plastica semiautomatica
Svuotare il filtro dell'aria
L'aria nel serbatoio può facilmente entrare e uscire in risposta alle variazioni del livello dell'olio grazie al filtro dell'aria esterno al serbatoio. Il filtro dell'aria deve essere rimosso, pulito con cherosene e asciugato con una pistola ad aria compressa ogni volta che l'olio viene cambiato e sottoposto a manutenzione. Lo sporco può entrare nel serbatoio del carburante e contaminare l'olio se non viene pulito.
Pulizia del filtro dell'olio idraulico
Il filtro dell'olio è responsabile della pulizia dell'olio idraulico. Per mantenere pulito il tubo di aspirazione dell'olio, il filtro dell'olio deve essere pulito ogni tre mesi. Controllare contemporaneamente che la rete del filtro dell'olio non sia danneggiata.
Lavare le pareti esterne e interne del radiatore olio-acqua
In generale, il radiatore dell'olio idraulico deve essere pulito una volta all'anno, anche se la frequenza delle pulizie può essere modificata in base alle prestazioni del radiatore e alle condizioni operative. L'efficienza di raffreddamento di entrambi i radiatori sarà influenzata da incrostazioni o ostruzioni al suo interno, quindi l'acqua di raffreddamento deve essere pura.
Etichetta sexy: macchina per stampaggio a iniezione di plastica semi automatica, produttori, fornitori, fabbrica di macchine per stampaggio a iniezione di plastica semi automatica in Cina, Macchina di stampaggio a iniezione per imballaggio di stampaggio a iniezione nanocompositi, Machine di stampaggio iniezione per imballaggio di stampaggio in adiezione a base di plastica a base biologica, Machine di stampaggio iniezione per imballaggi alimentari, Machine di stampaggio a iniezione per imballaggio smaltato, Machine di stampaggio a iniezione per imballaggi chimici, Machine di stampaggio iniezione per imballaggio di stampaggio a iniezione di liquami








